
Energieerzeugung
Heizzentralen mit Biomasse und Wärmepumpen, Seewasserfassung, Industrielle Prozesswärme- sowie Dampf- und Kälteerzeugung
Projektentwicklung / Betriebsoptimierung


Strategische Planung
Ermittlung von Leistungs- und Kapazitätsreserven im Bestand
Numerische Simulationen
Analyse des heutigen und zukünftigen Energiebedarfs (Wärme, Kälte, Strom)
Lastprofile und Erzeugungscharakteristiken
Variantenvergleiche konventionelle / erneuerbare Erzeugungssysteme
Wirtschaftlichkeitsanalysen (Investition, Betrieb, Lebenszyklus)
Technische und wirtschaftliche Machbarkeitsstudien
Bewertung von Standort- und Infrastrukturbedingungen
Entwicklung von Erzeugungsstrategien für Gebäude, Areale und Industrie
Definition von Ausbau-, Redundanz- und Etappierungskonzepten
Analyse von Leistungsreserven und Versorgungssicherheit
Bewertung von Eigenverbrauchs-, Speicher- und Netzanschlussoptionen
Szenarienentwicklung für langfristige Energieversorgung
Vorstudien & Projektentwicklung
Konzept- und Systemplanung von Energieerzeugungsanlagen
Planung von Wärmeerzeugung und Kälteerzeugung
Definition von Systemgrenzen, Betriebsstrategien und Redundanzen
Dimensionierung von Erzeugungsanlagen und Energiezentralen
Integration in bestehende Energie- und Verteilnetze
Abstimmung mit Energieversorgern, Netzbetreibern und Behörden
Berücksichtigung regulatorischer Vorgaben und Förderprogramme
Technische Grundlagen für Bauprojekt und Ausschreibung
Projektierung


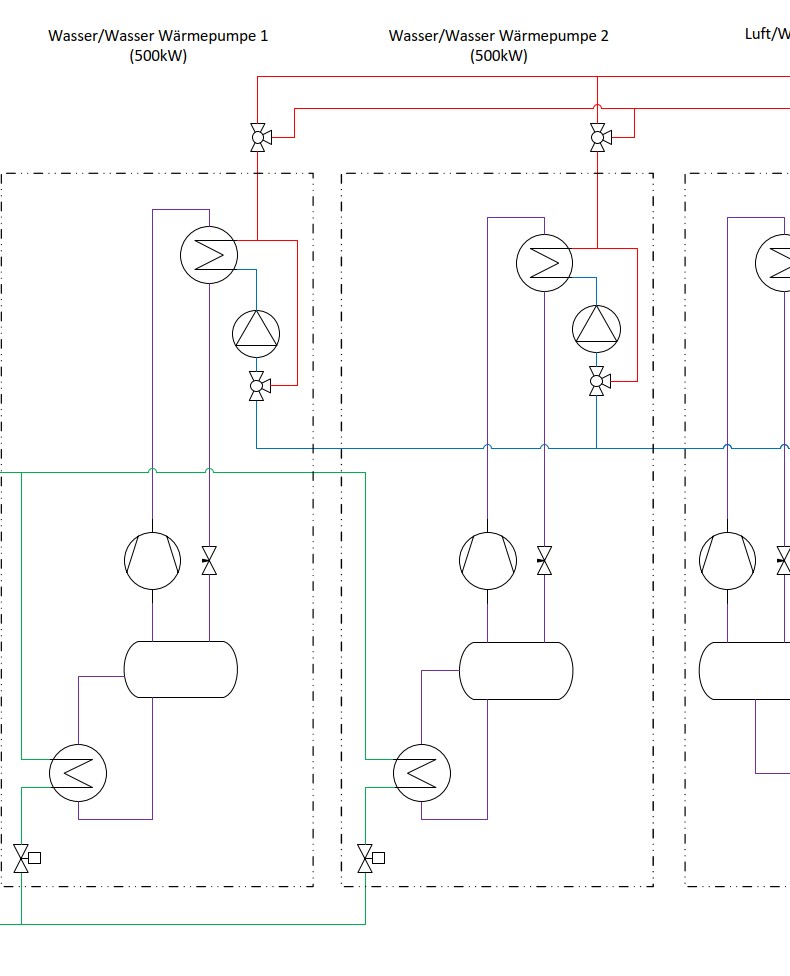
Fachplanung Energieanlagenbau
Fachplanung von Wärme-, Kälte- und Energienetzen
Planung von Wärme-, Kälte- und Medienverteilungen
Dimensionierung und hydraulische / thermische Berechnungen
Planung von Armaturen, Pumpen, Wärmetauschern und Speichern
Rohrstatische Auslegung und Nachweise
Berücksichtigung von Betriebs-, Wartungs- und Sicherheitsanforderungen
Koordination mit Bau, Elektro, MSR und Brandschutz
Erstellung von Situations-, Anlagen- und Schemazeichnungen
Erstellung von Auflage- und Ausführungsplänen
Erstellung und Begleitung von Ausschreibungen
Fachplanerische Begleitung der Realisierung
Projektleitung
Projektleitung über alle SIA-Phasen
Koordination und Führung der Fachplaner
Termin-, Kosten- und Qualitätsmanagement
Steuerung der Planungs- und Entscheidungsprozesse
Abstimmung mit Bauherrschaft, Behörden und Energieversorgern
Schnittstellenmanagement zwischen Gewerken
Begleitung von Ausschreibungs- und Vergabeprozessen
Brauherrenberatung / Qualitätssicherung
Unabhängige technische Beratung der Bauherrschaft
Wahrnehmung der Bauherreninteressen über alle Projektphasen
Prüfung von Strategien, Studien und Planungskonzepten
Qualitätssicherung der Planung gemäss SIA, Normen und Richtlinien
Plausibilitätsprüfung von Berechnungen und Energienachweisen
Kosten- und Wirtschaftlichkeitskontrollen
Prüfung von Ausschreibungen und Unternehmerangeboten
Begleitung von Abnahmen, Übergaben und Dokumentationen
