
Machbarkeitsstudie
Dekarbonisierung Industriebetrieb


Ausgangslage und Zielsetzung
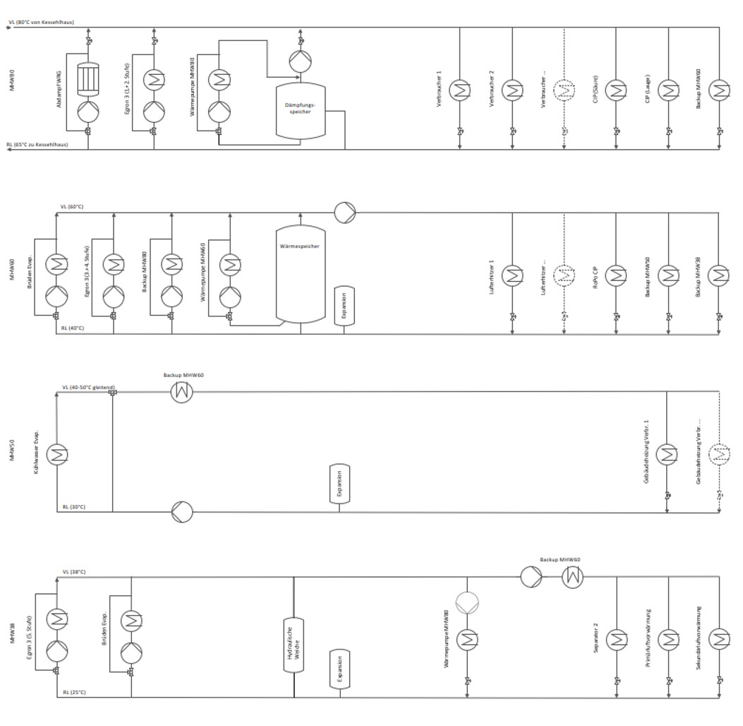
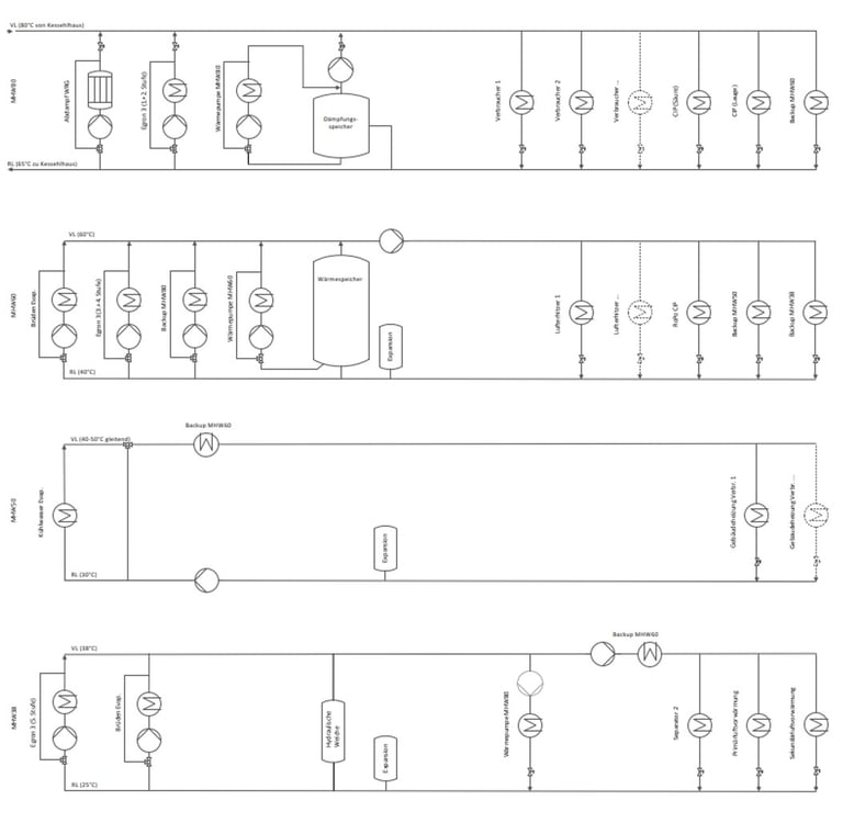
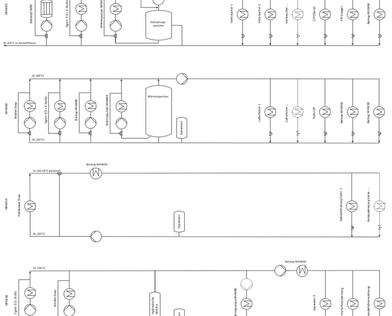
Für einen großen industriellen Lebensmittelbetrieb wurde eine Machbarkeitsstudie zum Aufbau eines 60 °C-Warmwassernetzes durchgeführt. Ziel war es, die vorhandene Prozessabwärme deutlich besser zu nutzen, den Einsatz fossiler Energieträger zu reduzieren und die Wärmeversorgung der Produktion langfristig nachhaltiger auszurichten.
Untersucht wurden dabei die technische Machbarkeit als auch die Wirtschaftlichkeit eines standortweiten Nieder-temperaturnetzes.
Analyse von Abwärmequellen und Verbrauchern
Im Rahmen der Studie wurden sämtliche relevanten Abwärmequellen und Wärmeverbraucher systematisch erfasst und bewertet. Dabei wurden unter anderem Leistung, zeitliche Verfügbarkeit, Temperaturniveau, bestehende Anlagentechnik sowie räumliche Gegeben-heiten berücksichtigt.
Ein besonderer Fokus lag auf der Nutzung von Abluft-strömen aus bestehenden Produktionsanlagen als poten-zielle Wärmequellen.
Entwicklung technischer Konzepte
Auf Basis dieser Analyse wurden verschiedene technische Lösungen für die Abwärmenutzung entwickelt, darunter auch Varianten mit Wärmepumpen zur Anhebung des Temperaturniveaus. Es wurden unterschiedliche Netz-konzepte untersucht – von linienbezogenen Lösungen bis hin zu einem standortweiten Warmwassernetz – inklusive hydraulischem Aufbau, Speicherintegration, Redundanz und Betriebsstrategien.


Variantenvergleich
Alle Varianten wurden hinsichtlich Energieeffizienz, Investitionsbedarf, Betriebskosten, CO₂-Reduktion und Umsetzbarkeit miteinander verglichen. Dabei zeigte sich, dass reine Niedertemperaturlösungen ohne Wärme-pumpe zwar einfach umsetzbar sind, jedoch insbeson-dere in den Wintermonaten nicht ausreichend Energie bereitstellen können.
Varianten mit Wärmepumpe weisen zwar höhere Investitionen auf, ermöglichen jedoch eine deutlich höhere Abwärmenutzung und entsprechend grosse CO₂-Einsparungen.
Ergebnis und Empfehlung
Die Studie kommt zum Schluss, dass ein 60°C-Warmwassernetz in Kombination mit einer Hoch-temperatur-Wärmepumpe eine technisch sinnvolle und energetisch wirksame Lösung darstellt. Damit kann die bestehende Hochtemperatur-Wärmeversorgung erheblich entlastet und ein großer Teil der Abwärme in den Produktionsprozess zurückgeführt werden.
Ein detailliertes Anlagenkonzept inklusive Etappierungs-vorschlag wurde erarbeitet und bildet die Grundlage für eine schrittweise Umsetzung. Die vorgeschlagenen Maßnahmen ermöglichen erhebliche Einsparungen bei Energiekosten und Treibhausgasemissionen und stellen einen wichtigen Schritt in Richtung einer klimafreund-lichen Produktionsinfrastruktur dar.
